製品情報

HOME > 製品情報 > 車輪車軸部品 > 車軸ユニット

車軸ユニット

産業車輌用ID

(空気入り)

※軸荷重は走行速度10km/hで設定しています。

型 式 1262-551 1262-552 1262-553 1262-554


サイズ ID3.50-5 6PR ID4.00-8 6PR ID5.00-8 8PR ID5.00-9 8PR
外径=D 290 413 472 493
巾=W 92 111 139 133
空気圧
MPa
0.5 0.7 0.7 0.7
リム サイズ 3.00SP × 5 3.00D × 8 3.00D × 8 3.50D × 9






軸荷重
kg
500 1200 1500 2000
軸径=d φ49 φ60 φ80 φ90
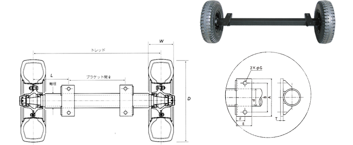
トレッド 800 1000 1000 1200
A 130 140 160 180
B 80 100 110 130
E 38 50 65 75
F 24 30 35 40
G φ14 φ16 φ16 φ18
T 6 6 9 12
L 180 185 190 240
l 440 630 620 720
型 式 1262-555 1262-556 1262-558 1262-559


サイズ ID6.00-9 10PR ID6.50-10 10PR ID7.00-12 12PR ID8.25-12 12PR
外径=D 537 589 671 736
巾=W 157 180 188 214
空気圧
MPa
0.7 0.7 0.7 0.7
リム サイズ 4.00E × 9 5.00F × 10 5.00S × 12 5.00S × 12






軸荷重
kg
2500 3000 4000 5000
軸径=d φ90 φ100 φ115 φ140
トレッド 1500 1500 1500 1500
A 180 220 250 280
B 130 170 180 230
E 75 90 90 100
F 40 50 50 60
G φ18 φ22 φ22 φ22
T 12 12 16 16
L 240 250 250 310
l 720 1000 1000 1000

ノーパンク

※軸荷重は走行速度10km/hで設定しています。

型 式 1262-751 1262-752 1262-753 1262-755 1262-756


サイズ 3,00-5 3,50-5 4.00-8 5.00-8 5.00-9
外径=D 250 304 408 476 489
巾=W 74 101 107 119 127
リム サイズ 2.15B × 5 3.00SP × 5 3.00D × 8 3.00D × 8 3.50D × 9






軸荷重
kg
600 800 1500 2000 2500
軸径=d φ49 φ60 φ80 φ90 φ90
トレッド 800 800 1000 1200 1500
A 130 140 160 180 180
B 80 100 110 130 130
E 38 50 65 75 75
F 24 30 35 40 40
G φ14 φ16 φ16 φ18 φ18
T 6 6 9 12 12
L 180 185 190 240 240
l 440 430 620 720 1000
型 式 1262-757 1262-760 1262-761 1262-764


サイズ 6.00-9 6.50-10 7.00-12 8.25-12
外径=D 542 584 676 726
巾=W 142 172 168 206
リム サイズ 4.00E × 9 5.00F × 10 5.00S × 12 5.00S × 12






軸荷重
kg
3000 3500 5000 6000
軸径=d φ100 φ115 φ140 φ170
トレッド 1500 1500 1500 1800
A 180 220 250 280
B 130 170 180 230
E 75 90 90 100
F 40 50 50 60
G φ18 φ22 φ22 φ22
T 12 16 16 19
L 240 250 250 310
l 1000 1000 1000 1180

車軸ユニットのカタログ ダウンロードはコチラ

その他の車輪・車軸部品のカタログはコチラ

お問い合わせ