
HOME > 製品情報 > 車輪車軸部品 > ハブレス車輪(空気入りタイヤ)
Aシリーズ:ハブレス&ニューマチック車輪(プレスベアリング)

| コードNo. | 1311-1 | 1311-2 | 1311-3 | 1311-4 | 1311-5 | |
|---|---|---|---|---|---|---|
| 部品番号 | 3-1-A1 | 3-1-A2 | 3-1-A3 | 3-1-A4 | 3-1-A5 | |
| タイヤ> | サイズ | HC 4PR 6 1/2×2-4 |
HC 4PR 8×3.00-4 |
HC 4PR 2.50-4 |
HC 4PR 3.00-4 |
HC 4PR 3.50-5 |
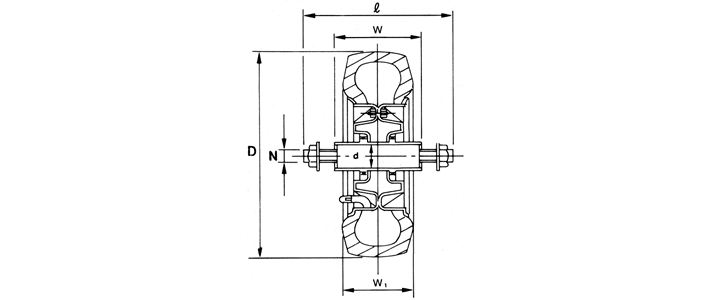
| D | 170 | 220 | 220 | 256 | 290 | |
| W1 | 52 | 63 | 63 | 82 | 92 | |
| 許容荷重(kg) | 55 | 85 | 85 | 110 | 160 | |
| ベアリング | CB2047 | CB2047 | CB2047 | CB2547 | CB2547 | |
| 寸法 | W | 81 | 81 | 81 | 81 | 97 |
| d | 20 | 20 | 20 | 20 | 25 | |
| 自重(kg) | 1.2 | 1.4 | 1.4 | 1.7 | 2.7 | |
Bシリーズ:ハブレス&ニューマチック車輪(ボールベアリング)

| コードNo. | 1312-1 | 1312-3 | |
|---|---|---|---|
| 部品番号 | 3-1-B1 | 3-1-B3 | |
| タイヤ> | サイズ | HC 4PR 3.50-5 |
HC 4PR 4.00-8 |
| D | 290 | 410 | |
| W1 | 92 | 110 | |
| 許容荷重(kg) | 160 | 245 | |
| ベアリング | 6303 | 6305 | |
| 寸法 | l | 185 | 203 |
| W | 126 | 145 | |
| d | 17 | 25 | |
| N | M16 P15 | M16 P15 | |
| 自重(kg) | 3.2 | 6.4 | |