
HOME > 製品情報 > 車輪車軸部品 > 超重量級キャスターシリーズ 自在車・固定車
今まで、特殊なカテゴリーだった重量級を標準化!!
豊富なラインナップとオプション部品で、皆様の身近なものになりました。
タイヤはノーパンクタイヤ、走行速度 MAX 4km/h

自在車シリーズ:旋回部に本格的旋回軸受けを採用したヘビーディーティータイプ!
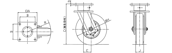
シングル自在車

| 部品番号 | LPHJ-500 | LPHJ-1000 | LPHJ-1500 | LPHJ-2000 | LPHJ-2500 | LPHJ-3000 |
|---|---|---|---|---|---|---|
| 荷重(kg) | 500 | 1000 | 1500 | 2000 | 2500 | 3000 |
| タイヤサイズ | 4.00-8 | 5.00-9 | 6.00-9 | 6.50-10 | 7.00-12 | 8.25-12 |
| H | 405 | 490 | 540 | 580 | 665 | 725 |
| J | 105 | 130 | 140 | 170 | 185 | 190 |
| A | 250 | 300 | 300 | 300 | 350 | 400 |
| B | 200 | 240 | 240 | 240 | 280 | 330 |
| C | 520 | 605 | 675 | 730 | 830 | 900 |
| D | 16 | 19 | 19 | 19 | 22 | 22 |
| E | 100 | 130 | 130 | 150 | 170 | 190 |
| R | 305 | 375 | 400 | 440 | 505 | 555 |
| 取付穴径 | 4-φ16 | 4-φ18 | 4-φ18 | 4-φ18 | 4-φ22 | 4-φ22 |
| 重量(約kg) | 60 | 90 | 100 | 130 | 190 | 260 |
ダブル自在車

| 部品番号 | 284-1 | 284-2 | 284-3 | 284-4 | 284-5 | 284-6 |
|---|---|---|---|---|---|---|
| 荷重(kg) | 1500 | 2400 | 3000 | 3600 | 4800 | 6400 |
| タイヤサイズ | 4. 00-8 | 5. 00-9 | 6. 00-9 | 6. 50-10 | 7. 00-12 | 8. 25-12 |
| H | 405 | 490 | 540 | 580 | 665 | 725 |
| J | 105 | 130 | 140 | 175 | 170 | 190 |
| A | 500 | 500 | 500 | 640 | 640 | 640 |
| B | 440 | 440 | 440 | 570 | 570 | 570 |
| C | 560 | 660 | 700 | 760 | 850 | 900 |
| D | 19 | 22 | 22 | 22 | 25 | 25 |
| E | 90 | 100 | 100 | 120 | 130 | 150 |
| F | 400 | 450 | 500 | 600 | 650 | 700 |
| G | 570 | 590 | 695 | 795 | 870 | 920 |
| R | 380 | 440 | 480 | 550 | 600 | 660 |
| 取付穴径 | 4-φ16 | 4-φ18 | 4-φ22 | 4-φ22 | 4-φ27 | 4-φ27 |
| 重量(約kg) | 180 | 200 | 230 | 340 | 450 | 520 |

固定車シリーズ:自在車と組み合わせて、用途は自由に!本格ヘビーディーティータイプ!
シングル固定車

| 部品番号 | LPHK-500 | LPHK-1000 | LPHK-1500 | LPHK-2000 | LPHK-2500 | LPHK-3000 |
|---|---|---|---|---|---|---|
| 荷重(kg) | 500 | 1000 | 1500 | 2000 | 2500 | 3000 |
| タイヤサイズ | 4.00-8 | 5.00-9 | 6.00-9 | 6.50-10 | 7.00-12 | 8.25-12 |
| H | 405 | 490 | 540 | 580 | 665 | 725 |
| J | 105 | 130 | 140 | 170 | 185 | 190 |
| A×A' | 300×240 | 350×300 | 350×300 | 400×350 | 450×400 | 500×400 |
| B×B' | 240×190 | 290×240 | 290×240 | 340×290 | 390×340 | 440×390 |
| C | 520 | 620 | 675 | 730 | 830 | 900 |
| D | 16 | 19 | 19 | 19 | 22 | 22 |
| 取付穴径 | 4-φ16 | 4-φ18 | 4-φ18 | 4-φ18 | 4-φ22 | 4-φ22 |
| 重量(約kg) | 60 | 80 | 90 | 130 | 190 | 230 |
ダブル固定車

| 部品番号 | 286-1 | 286-2 | 286-3 | 286-4 | 286-5 | 286-6 |
|---|---|---|---|---|---|---|
| 荷重(kg) | 1500 | 2400 | 3000 | 3600 | 4800 | 6400 |
| タイヤサイズ | 4.00-8 | 5.00-9 | 6.00-9 | 6.50-10 | 7.00-12 | 8.25-12 |
| H | 405 | 490 | 540 | 580 | 665 | 725 |
| J | 105 | 130 | 140 | 175 | 170 | 190 |
| A×A' | 400×280 | 460×340 | 460×340 | 500×420 | 600×520 | 600×520 |
| B×B' | 340×220 | 400×280 | 400×280 | 430×350 | 530×450 | 530×450 |
| C | 560 | 660 | 700 | 760 | 850 | 900 |
| D | 19 | 22 | 22 | 22 | 25 | 25 |
| F | 400 | 450 | 500 | 600 | 650 | 700 |
| G | 570 | 590 | 695 | 795 | 870 | 920 |
| 取付穴径 | 4-φ16 | 4-φ18 | 4-φ22 | 4-φ22 | 4-φ27 | 4-φ27 |
| 重量(約kg) | 110 | 150 | 180 | 240 | 370 | 430 |